1. Multicolor Confocal Micro PIV System for Micro Multiphase Flow Measurement
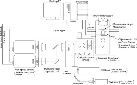
We developed multicolor confocal micro PIV system (Fig. 1), which can measure two different physical components of flow phenomena. This system consists of Confocal Micro PIV system, which is developed by Kinoshita et al.(2005), and multicolor optics. It uses two color lasers for illumination and records two different fluorescent lights. This system also enables precise color filteration among four wavelengths, using specific fluorescent particle or dye that has ideal wavelength characteristics for filteration (Fig. 2).

As a measurement target, solid-liquid multiflow is measured. The working fluid including gel beads (Fig. 4) flows in the PDMS (polydimethylsiloxane) based micro channel (Fig. 3), which is fabricated using softlithography technique. Figure 5 shows the example of each filtered image. The one camera catches short pass filtered clear image of fluorescent particle inside the gel bead (left image), and long pass filtered surrounding flow image (right image) also be captured by another camera with high clarity.





Figure 6 shows flow velocity distribution and movement of distributed particle inside the alginate microbeads. There is no hydrodynamic flow inside the microbeads due to their solidity. The fluorescent microshpere implanted in the microbeads were studied to measure to clarify the rotational motion of microbeads. Results show that the microsphere movement inside the microbeads at each height is almost uniform. Thus, it suggests that the microbead has high sphericity and rotates at a constant angular velocity.

Our system can evaluate multiphase flow or multiphysics phenomena, which occur in the microfluidic devices quantitatively, it can provide effective designing for not only micro biochemistry devices but also drug delivery systems. It may be said that this system has considerable flexibility.
Reference paper: I. Kinoshita, H., Oshima, M., Kaneda, S. and Fujii, T. CONFOCAL MICRO-PIV MEASUREMENT OF INTERNAL FLOW IN A MOVING DROPLET. Proc of Micro-TAS 2005, Boston, USA, Paper No.0192, 2005.
II. Oishi M, Kinoshita H, Oshima M and Kobayashi T, Multicolor conforcal micro PIV system for multiphase flow measurement, Proc of 12th ISFV, Paper No.223, 2006.
III. Oishi M, Kinoshita H, Oshima M, Fujii T and Kobayashi T, Multicolor Confocal Micro PIV Measurement of Solid-fluid Interaction in Microflow, Proc of 4th Japan-Korea Joint Seminar on Particle Image Velocimetry, 2006.
Supervisors: Prof. Marie OSHIMA
2. Confocal micro-PIV measurements of blood cells suspension flow in a square microchannel
by Rui LIMA,Takami YAMAGUCHI, Ken-ichi TSUBOTA,Takuji ISHIKAWA, Motohiro TAKEDA & Shigeo WADA.www.pfsl.mech.tohoku.ac.jp
"You have an Application!!!!"
Help us to update the Applications of PIV, StereoPIV, MicroPIV, NanoPIV, High speed PIV, PTV, LDV, PDPA, PLIF, ILIDS, PSP.
Click here to enter the details.







